Henüz Değerlendirilmemiş
- Markası: PARKER
- Stok Kodu: RU101S30C
- Stok Durumu: Sorunuz
- Liste Fiyatı :
-
€177,50 +KDV
Tavsiye Ürünler
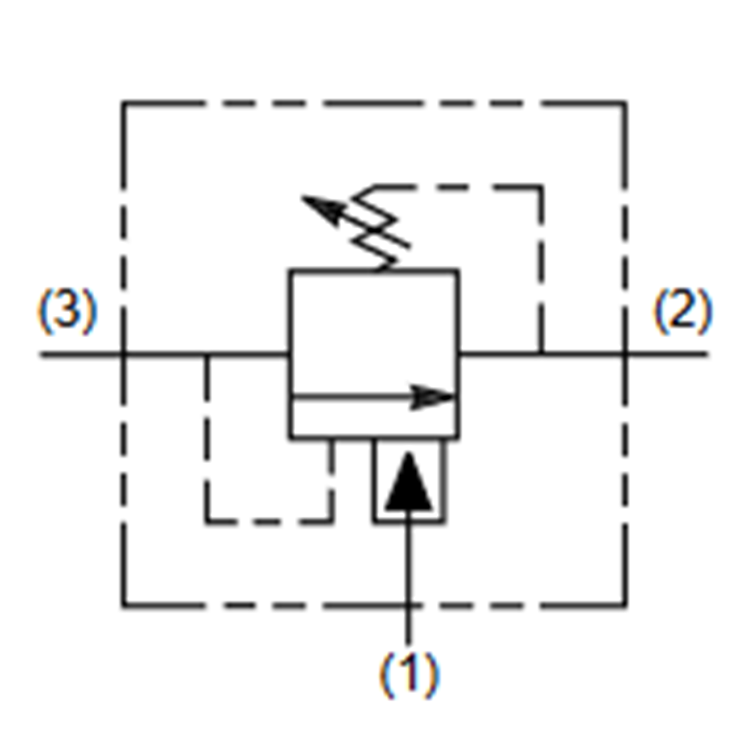
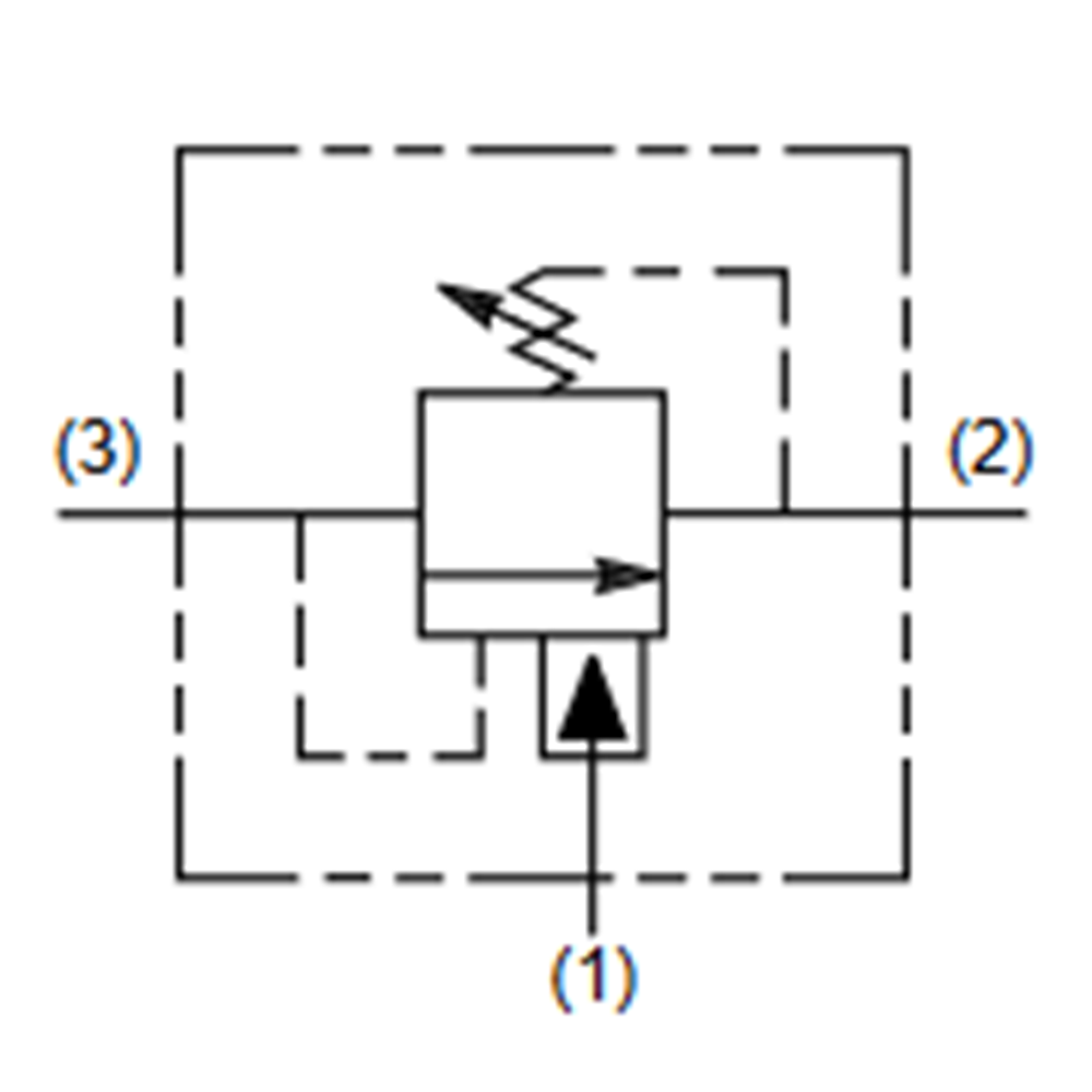
Boşaltma valfi, 5,63 lt, 14-207 bar, 1'den pilot, alyanlı, C10-3
Liste Fiyatı
€177,50 +KDV
| Ara Toplam | 0,00 TL |
Sepetinizde ürün bulunmamaktadır


