Alışveriş Sepetim
×
Hidrolik ve Pnömatikte Akılcı Çözümler, Güçlü Yarınlar.
Üyelik
Kayıt Ol
Giriş Yap
0,00 TL
0
Ara Toplam
0,00 TL
SİPARİŞİ TAMAMLA
KAPAT
Sepetinizde ürün bulunmamaktadır
Arama
Ana Sayfa
Kategoriler
VALF
SELONOİD VALF
ORANSAL YÖN KONTROL VALFİ
BASINÇ KOMPANSATÖR
MODÜLER EMNİYET
BOŞALTMA(UNLOADING)
ÇEKVALF
HIZ AYAR VALFİ
EMNİYET VALFİ
BASINÇ DÜŞÜRÜCÜ
BASINÇ SIRALAMA
YÜK TUTMA
VEYA VALFİ
AKIŞ BÖLÜCÜ
LOJİK VALF
YÖN KONTROL VALFİ
MODÜLER ÇEKVALF
MODÜLER HIZ AYAR
MODÜLER BASINÇ DÜŞÜRÜCÜ
ORANSAL HIZ AYAR VALFİ
ORANSAL EMNİYET VALFİ
ORANSAL BASINÇ DÜŞÜRÜCÜ
ORANSAL PQ VALFİ
AKÜ DOLUM VALFİ
ÖN GERİLİM VALFİ
MANOMETRE
KUMANDA KOLU
FİLTRE ELEMANI
ÖZEL BİLGİ
AKIŞ BÖLÜCÜ
STANDART
ELEKTRİK MOTORU
MALZEME
SOĞUK ÇEKME
BOBİN
24V DC
27V DC
24V AC
120V AC
205V DC
110V DC
12V DC
110V AC
220V AC
ELEKTRONİK
SOKET
SEVİYE GÖSTERGESİ
BASINÇ SENSÖRÜ
BASINÇ ŞALTERİ
TRANSMİTTER
ORANSAL KART
POWERPACK
POMPA
DİŞLİ POMPA
PİSTONLU POMPA
EL POMPASI
FİLTRE
BASINÇ FİLTRESİ
DÖNÜŞ FİLTRESİ
KİRLİLİK GÖSTERGESİ
DÜŞÜK BASINÇ FİLTRESİ
EMİŞ DÖNÜŞ FİLTRESİ
YÜKSEK BASINÇ FİLTRESİ
AKSESUAR
YEDEK PARÇA
VALF
SELONOİD VALF
NA - TEK ÇEKLİ
NA - SÜRGÜ TİP
NA - ÇİFT ÇEKLİ
NK - TEK ÇEKLİ
NK - SÜRGÜ TİP
NK - ÇİFT ÇEKLİ
3/2
4/2
4/3
ORANSAL YÖN KONTROL VALFİ
BASINÇ KOMPANSATÖR
MODÜLER EMNİYET
DİREKT UYARILI
PİLOT UYARILI
BOŞALTMA(UNLOADING)
ÇEKVALF
PİLOTLA AÇILAN
PİLOTLA KAPANAN
GÖMME TİP
HAT TİPİ
HIZ AYAR VALFİ
ÇEKSİZ
ÇEKLİ
BASINÇ DUYARLI
EMNİYET VALFİ
DİREKT UYARILI
İÇTEN PİLOTLU
TERS EMNİYET
UZAKTAN KONTROL
SERBEST GEÇİŞ ÇEKLİ
BASINÇ DÜŞÜRÜCÜ
EMNİYETLİ
EMNİYETSİZ
BASINÇ SIRALAMA
DİREKT UYARILI
PİLOT UYARILI
YÜK TUTMA
ATMOSFERİK
HAT TİPİ - K.M.
VEYA VALFİ
AKIŞ BÖLÜCÜ
KARTRİÇ
LOJİK VALF
YÖN KONTROL VALFİ
NG6
NG4
NG10
NG16 GÖVDE
NG16 PİLOTLU
NG16 KOLLU
NG25 GÖVDE
NG25 PİLOTLU
NG25 KOLLU
MODÜLER ÇEKVALF
MODÜLER HIZ AYAR
ÇEKLİ
BASINÇ DUYARLI
ÇEKSİZ
MODÜLER BASINÇ DÜŞÜRÜCÜ
PİLOT UYARILI
DİREKT UYARILI
ORANSAL HIZ AYAR VALFİ
NK
ORANSAL EMNİYET VALFİ
ORANSAL BASINÇ DÜŞÜRÜCÜ
ORANSAL PQ VALFİ
AKÜ DOLUM VALFİ
ÖN GERİLİM VALFİ
Tüm VALF ürünlerini görmek için tıklayınız.
BOBİN
24V DC
27V DC
24V AC
120V AC
205V DC
110V DC
12V DC
110V AC
220V AC
Tüm BOBİN ürünlerini görmek için tıklayınız.
ELEKTRONİK
SOKET
IŞIKSIZ SOKET
LEDLİ SOKET
SOKET BAZASI
SEVİYE GÖSTERGESİ
BASINÇ SENSÖRÜ
BASINÇ ŞALTERİ
TRANSMİTTER
ORANSAL KART
SOKET TİPİ
Tüm ELEKTRONİK ürünlerini görmek için tıklayınız.
POWERPACK
POMPA
DİŞLİ POMPA
DIŞTAN DİŞLİ
PİSTONLU POMPA
EL POMPASI
Tüm POMPA ürünlerini görmek için tıklayınız.
FİLTRE
BASINÇ FİLTRESİ
DÖNÜŞ FİLTRESİ
KİRLİLİK GÖSTERGESİ
DÜŞÜK BASINÇ FİLTRESİ
EMİŞ DÖNÜŞ FİLTRESİ
YÜKSEK BASINÇ FİLTRESİ
Tüm FİLTRE ürünlerini görmek için tıklayınız.
AKSESUAR
YEDEK PARÇA
Tüm AKSESUAR ürünlerini görmek için tıklayınız.
Karşılaştırma Listesi
Menu
BOŞALTMA(UNLOADING)
Ana Sayfa
VALF
BOŞALTMA(UNLOADING)
Filtrele
Ürün Karşılaştır
(0)
Sıralama
Sıralama Seçiniz
Fiyata Göre Artan
Fiyata Göre Azalan
Ada Göre Artan
Ada Göre Azalan
En Yeniler
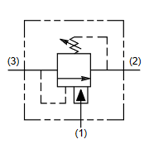
Boşaltma valfi, 5,63 lt, 14-207 bar, 1'den pilot, alyanlı, C10-3
Liste Fiyatı
€177,50 +KDV
Sepete Ekle
Telefonla Sipariş
×
Ad
Soyad
Telefon
Sizi hangi saatte arayalım ?
Ürün Adı / Stok Kodu
E-Mail
Mesajınız
Sipariş Takibi
×
E-Posta Adresi
Sipariş Numarası
Sorgula
Lütfen Bekleyiniz
Lütfen sorgulamak istediginiz siparişe ait kayıtlı mail adresinizi ve sipariş numaranızı giriniz.
Ad Soyad
E-Posta Adresi
Sipariş Tarihi
Ödeme Şekli
Sipariş Durumu
Kargo Tarihi
Teslim Tarihi
Genel Toplam
İnternet sitemizde çerezlerden faydalanılmaktadır. Ayrıntılı bilgi için
Kişisel Verilerin Korunması Kanununu,
Gizlilik Sözleşmesi
ve
Çerez Politikamızı
inceleyebilirsiniz.
Reddet
Kabul Et
En Uygun Teslimat Zamanı
Saat seçimini sadece 'Sepet' sayfasında yapabilirsiniz. Sepet sayfasında doluluk oranı farklılık gösterebilir.